


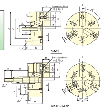
long jaw stroke power chuck
1.body material:cast iron
2.Short cylindrical connection
3.Suitable for bar processing
4.the chuck are ecnomical and practical and with high performance reliable



As long as you think of, we can do it!
Please contact me:
Gailan Liu
Tel:+0086 0312 3106071
Fax:+0086 0312 3106075
mobile
http://www.baodinghl.com
skype:jsllgl2012
| Copyright(C) Baoding Wanmei Machine Co.,Ltd Contact:Miss.Liu Mobile:0086-15531272065 Phone:0086-312-3106071
Address:Longxing Business Building,Longxing Road No.77,Baoding,Hebei Province,China Support:ShiJiaZhuang HuiHuangYuan Trade c., Ltd |